危险化学品仓库储存通则
编号:GB15603-2022
颁布时间:2023/7/1
是否常用:是
是否有效:现行有效
分类:特殊场所建筑防火
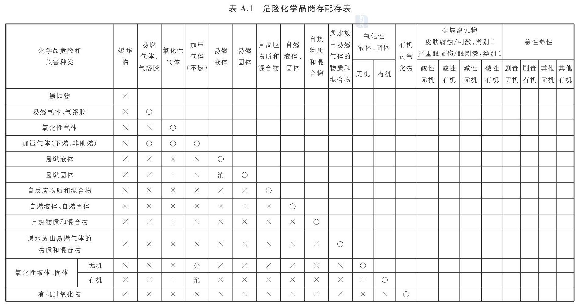
附录A(规范性)危险化学品储存配存
