汽车加油加气站设计与施工规范
编号:GB50156-2012(2014年版)
颁布时间:2013/3/1
是否常用:否
是否有效:已废止
分类:特殊场所建筑防火
5
站内平面布置
5.0.1 车辆入口和出口应分开设置。
5.0.2 站区内停车位和道路应符合下列规定:
1 站内车道或停车位宽度应按车辆类型确定。CNG加气母站内单车道或单车停车位宽度,不应小于4.5m,双车道或双车停车位宽度不应小于9m;其他类型加油加气站的车道或停车位,单车道或单车停车位宽度不应小于4m,双车道或双车停车位不应小于6m。
2
站内的道路转弯半径应按行驶车型确定,且不宜小于9m。
3 站内停车位应为平坡,道路坡度不应大于8%,且宜坡向站外。
4 加油加气作业区内的停车位和道路路面不应采用沥青路面。
5.0.3 加油加气作业区与辅助服务区之间应有界线标识。
5.0.4 在加油加气合建站内,宜将柴油罐布置在LPG储罐或CNG储气瓶(组)、LNG储罐与汽油罐之间。
5.0.5
加油加气作业区内,不得有"明火地点"或"散发火花地点"。
5.0.6 柴油尾气处理液加注设施的布置,应符合下列规定:
1 不符合防爆要求的设备,应布置在爆炸危险区域之外,且与爆炸危险区域边界线的距离不应小于3m。
2 符合防爆要求的设备,在进行平面布置时可按加油机对待。
5.0.7 电动汽车充电设施应布置在辅助服务区内。
5.0.8 加油加气站的变配电间或室外变压器应布置在爆炸危险区域之外,且与爆炸危险区域边界线的距离不应小于3m。变配电间的起算点应为门窗等洞口。
5.0.9 站房可布置在加油加气作业区内,但应符合本规范第12.2.10条的规定。
5.0.10
加油加气站内设置的经营性餐饮、汽车服务等非站房所属建筑物或设施,不应布置在加油加气作业区内,其与站内可燃液体或可燃气体设备的防火间距,应符合本规范第4.0.4条至第4.0.9条有关三类保护物的规定。经营性餐饮、汽车服务等设施内设置明火设备时,则应视为"明火地点"或"散发火花地点"。其中,对加油站内设置的燃煤设备不得按设置有油气回收系统折减距离。
5.0.11
加油加气站内的爆炸危险区域,不应超出站区围墙和可用地界线。
5.0.12 加油加气站的工艺设备与站外建(构)筑物之间,宜设置高度不低于2.2m的不燃烧体实体围墙。当加油加气站的工艺设备与站外建(构)筑物之间的距离大于表4.0.4~表4.0.9 中安全间距的1.5倍,且大于25m时,可设置非实体围墙。面向车辆入口和出口道路的一侧可设非实体围墙或不设围墙。
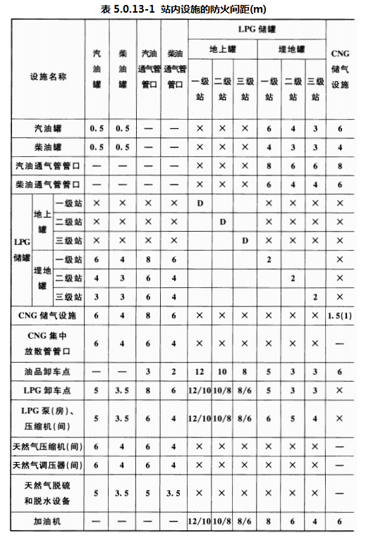
5.0.13
加油加气站内设施之间的防火距离,不应小于表5.0.13-1和表5.0.13-2的规定。
5.0.14
本规范表5.0.13-1和表5.0.13-2中,CNG储气设施、油品卸车点、LPG泵(房)、LPG压缩机(间)、天然气压缩机(间)、天然气调压器(间)、天然气脱硫和脱水设备、加油机、LPG加气机、CNG加卸气设施、LNG卸车点、LNG潜液泵罐、LNG柱塞泵、地下泵室人口、LNG加气机、LNG气化器与站区围墙的防火间距还应符合本规范第5.0.11条的规定,设备或建(构)筑物的计算间距起止点应符合本规范附录A的规定。
5.0.15 加油加气站内爆炸危险区域的等级和范围划分,应符合本规范附录C的规定。


注:1
表中数据分子为LPG储罐无固定喷淋装置的距离,分母为LPG储罐设有固定喷淋装置的距离。D为LPG地上罐相邻较大罐的直径。
2
括号内数值为储气井与储气井、柴油加油机与自用有燃煤或燃气(油)设备的房间的距离。
3
撬装式加油装置的油罐与站内设施之间的防火间距应按本表汽油罐、柴油罐增加30%。
4
当卸泊采用油气回收系统肘,汽油通气管管口与站区围墙的距离不应小于2m。
5
LPG储罐放散管管口与LPG储罐距离不限,与站内其他设施的防火间距可按相应级别的LPG埋地储罐确定。
6
LPG泵和压缩机、天然气压缩机、调压器和天然气脱硫和脱水设备露天布置或布置在开敞的建筑物内时,起算点应为设备外缘;LPG泵和压缩机、天然气压缩机、
天然气调压器设置在非开敞的室内时,起算点应为该类设备所在建筑物的门窗等洞口。
7
容量小于或等于10m³的地上LPG储罐的整体装配式加气站,其储罐与站内其他设施的防火间距,不应低于本表三级站的地上储罐防火间距的80%。
的防火间距确定。
8
CNG加气站的撬装设备与站内其他设施的防火间距,应按本表相应设备站房内设置有变配电间时,变配电间的布置应符合本规范第5.0.8条的规定。
9
站房、有燃煤或燃气(油)等明火设备的房间的起算点应为门窗等洞口。
10
表中一、二、三级站包括LPG加气站、加油与LPG加气合建站。
11
表中"—"表示无防火间距要求,"X"表示该类设施不应合建。


注:1 站房、有燃气(油)等明火设备的房间的起算点应为门窗等洞口。
2
表中一、二、三级站包括LNG加气站,LNG与其他加油加气的合建站。
3
表中"一"表示无防火间距要求。括号内数值为柴油加油机与自用有燃煤或燃气(油)设备的房间的距离。
4
"*"表示应符合表5.0.13-1的规定。
条文说明
5 站内平面布置
5.0.1 本条规定是为了保证在发生事故时汽车槽车能迅速驶离。在运营管理中还需注意避免加油、加气车辆堵塞汽车槽车驶离车道,以防止事故时阻碍汽车槽车迅速驶离。
5.0.2 本条规定了站区内停车场和道路的布置要求。
1 根据加油、加气业务操作方便和安全管理方面的要求,并通过对全国部分加油加气站的调查,CNG加气母站内单车道或单车位宽度需不小于4.5m,双车道或双车位宽度需不小于9m;其他车辆单车道宽度需不小于4m,双车道宽度需不小于6m。
2 站内道路转弯半径按主流车型确定,不小于9m是合适的。
3 汽车槽车卸车停车位按平坡设计,主要考虑尽量避免溜车。
4 站内停车场和道路路面采用沥青路面,容易受到泄露油品的侵蚀,沥青层易于破坏,此外,发生火灾事故时沥青将发生熔融而影响车辆辙离和消防工作正常进行,故规定不应采用沥青路面。
5.0.5 本条为强制性条文。加油加气作业区内大部分是爆炸危险区域,需要对明火或散发火花地点严加防范。
5.0.7 国家政策在推广电动汽车,根据国外经验,利用加油站网点建电动汽车充电或更换电池设施是一种简便易行的形式。电动汽车充电或电池更换设备一般没有防爆性能,所以要求"电动汽车充电设施应布置在辅助服务区内"。
5.0.8 加油加气站的变配电设备一般不防爆,所以要求其布置在爆炸危险区域之外,并保持不小于3m的附加安全距离。对变配电间来说需要防范的是油气进入室内,所以规定起算点为门窗等洞口。
5.0.10 本条为强制性条文。根据商务部有关文件的精神,加油加气站内可以经营食品、餐饮、汽车洗车及保养、小商品等。对独立设置的经营性餐饮、汽车服务等设施要求按站外建筑物对待,可以满足加油加气作业区的安全需求。
"独立设置的经营性餐饮、汽车服务等设施"系指在站房(包括便利店)之外设置的餐饮服务、汽车洗车及保养等建筑物或房间。
"对加油站内设置的燃煤设备不得按设置有油气回收系统折减距离"的规定,仅适用于在加油站内设置有燃煤设备的情况。
5.0.11 本条为强制性条文。站区围墙和可用地界线之外是加油加气站不可控区域,而在爆炸危险区域内一旦出现明火或火花,则易引发爆炸和火灾事故。为保证加油加气站安全,要求"爆炸危险区域不应超出站区围墙和可用地界线"是必要的。
5.0.12 加油加气站的工艺设备与站外建(构)筑物之间的距离小于或等于25m以及小于或等于表4.0.4~表4.0.9中的防火距离的1.5倍时,相邻一侧应设置高度不小于2.2m的非燃烧实体围
墙,可隔绝一般火种及禁止无关人员进入,以保障站内安全。加油加气站的工艺设施与站外建(构)筑物之间的距离大于表4.0.4~ 表4.0.9中的防火距离的1.5 倍,且大于25m时,安全性要好得多,相邻一侧应设置隔离墙,主要是禁止无关人员进入,隔离墙为非实体围墙即可。加油加气站面向进、出口的一侧,可建非实体围墙,主要是为了进、出站内的车辆视野开阔,行车安全,方便操作人员对加油、加气车辆进行管理,同时,在城市建站还能满足城市景观美化的要求。
5.0.13 本条为强制性条文。根据加油加气站内各设施的特点和附录C所划分的爆炸危险区域规定了各设施间的防火距离。分述如下:
1 加油站油品储罐与站内建(构)筑物之间的防火距离。加油站使用埋地卧式油罐的安全性好,油罐着火几率小。从调查情况分析,过去曾发生的几次加油站油罐人孔处着火事故多为因敞口卸油产生静电而发生的。只要严格按本规范的规定采用密闭卸油方式卸油,油罐发生火灾的可能性很小。由于油罐埋地敷设,即使油罐着火,也不会发生油品流淌到地面形成流淌火灾,火灾规模会很有限。所以,加油站卧式油罐与站内建(构)筑物的距离可以适当小些。
2
加油机与站房、油品储罐之间的防火距离。本表规定站房与加油机之间的距离为5m,既把站房设在爆炸危险区域之外,又考虑二者之间可停一辆汽车加油,如此规定较合理。加油机与埋地油罐属同一类火灾等级设施,故其距离不限。
3
燃煤锅炉房与油品储罐、加油机、密闭卸油点之间的防火距离。现行国家标准《石油库设计规范》GB 50074规定,石油库内容量小于等于50m³的卧式油罐与明火或散发火花地点的距离为18.5m。依据这一规定,本表规定站内燃煤锅炉房与埋地油罐距离为18.5m是可靠的。与油罐相比,加油机、密闭卸油点的火灾危险性较小,其爆炸危险区域也较小,因此规定此两处与站内锅炉房距离为15m是合理的。
4
燃气(油)热水炉间与其他设施之间的防火距离。采用燃气(油)热水炉供暖炉子燃料来源容易解决,环保性好,其烟囱发生火花飞溅的几率极低,安全性能是可靠的。故本表规定燃气(油)热水炉间与其他设施的间距小于锅炉房与其他设施的间距是合理的。
5 LPG储罐与站内其他设施之间的防火距离。
1)关于合建站内油品储罐与LPG储罐的防火间距,澳大利亚规范规定两类储罐之间的防火间距为3m,荷兰规范规定两类储罐之间的防火间距为1m。在加油加气合建站内应重点防止LPG气体积聚在汽、柴油储罐及其操作井内。为此,LPG储罐与汽、柴油储罐的距离要较油罐与油罐之间、气罐与气罐之间的距离适当增加。
2)LPG储罐与卸车点、加气机的距离,由于采用了紧急切断阀和拉断阀等安全装置,且在卸车、加气过程中皆有操作人员,一旦发生事故能及时处理。与现行国家标准《城镇燃气设计规范》GB 50028—2006相比,适当减少了防火间距。与荷兰规范要求的5m相比,又适当增加了间距。
3)LPG储罐与站房的防火间距与现行的行业标准《汽车用燃气加气站技术规程》CJJ
84—2000基本一致,比荷兰规范要求的距离略有增加。
4)液化石油气储罐与消防泵房及消防水池取水口的距离主要是参照现行国家标准《城镇燃气设计规范》GB 50028—2006确定的。
5)1台小于或等于10m³的地上LPG储罐整体装配式加气站,具有投资省、占地小、使用方便等特点,目前在日本使用较多。由于采用整体装配,系统简单,事故危险性小,为便于采用,本表规定其相关防火间距离可按本表中三级站的地上储罐减少20%。
6
LPG卸车点(车载卸车泵)与站内道路之间的防火距离。规定两者之间的防火距离不小于2m,主要是考虑减少站内行驶车辆对卸车点(车载卸车泵)的干扰。
7 CNG加气站内储气设施与站内其他设施之间的防火距离。在参考美国、新西兰规范的基础上,根据我国使用的天然气质量,分析站内各部位可能会发生的事故及其对周围的影响程度后,适当加大防火距离。
8
CNG加气站、加油加气(CNG)合建站内设施之间的防火距离。CNG加气站内储气设施与站内其他设施之间的防火距离,是在参考美国、新西兰规范的基础上,根据我国使用的天然气质量,分析站内各部位可能会发生的事故及其对周围的影响程度,结合我国CNG加气站的建设和运行经验确定的。
9
LNG加气站、加油加气(LNG)合建站内设施之间的防火距离。LNG加气站内储气设施与站内其他设施之间的防火距离,是在依据现行国家标准《城镇燃气设计规范》GB 50028—2006、《液化天然气(LNG)生产、储存和装运》GB/T 20368—2006的基础上,分析站内各部位可能会发生的事故及其对周围的影响程度,结合我国已经建成LNG加气站的实际运行经验确定的。表5.0.13-2中,对LNG设备之间没有间距要求或规定的间距较小,是为了方便建造集约化的橇装设备。橇装设备在制造厂整体建造,相对现场分散施工安装更能保证质量。
10
表5.0.13-1注4的"当卸油采用油气回收系统时,汽油通气管管口与站区围墙的距离不应小于2m。"意思是,汽油通气管
管口与站区围墙的距离可以减少至2m。
11
表5.0.13-1注7的"容量小于或等于10m³的地上LPG储罐的整体装配式加气站,其储罐与站内其他设施的防火间距,不应低于本表三级站的地上储罐防火间距的80% 。"意思是,容量小于或等于10m³的地上LPG储罐的整体装配式加气站,其储罐与站内其他设施的防火间距,可以按表中三级站的地上储罐减少20%。
5.0.14
本规程表5.0.13-1和表5.0.13-2中,CNG储气设施、油品卸车点、LPG泵(房)、LPG压缩机(间)、天然气压缩机(间)、天然气调压器(间)、天然气脱硫和脱水设备、加油机、LPG加气机、CNG加卸气设施、LNG卸车点、LNG潜液泵罐、LNG柱塞泵、地下泵室入口、LNG加气机、LNG气化器与站区围墙的最小防火间距小于附录C规定的爆炸危险区域的,需要采取措施(如有的设备可以布置在室内,设备间靠近围墙的墙采用无门窗洞口的实体墙;加高围墙至不小于爆炸危险区域的高度),保证爆炸危险区域不超出围墙。