石油天然气工程设计防火规范
编号:GB50183-2004
颁布时间:2005/3/1
是否常用:是
是否有效:现行有效
分类:特殊场所建筑防火
5.2 站场内部防火间距
5.2.1 一、二、三、四级石油天然气站场内总平面布置的防火间距除另有规定外,应不小于表5.2.1的规定。火炬的防火间距应经辐射热计算确定,对可能携带可燃液体的高架火炬还应满足表5.2.1的规定。5.2.2 石油天然气站场内的甲、乙类工艺装置、联合工艺装置的防火间距,应符合下列规定:
1装置与其外部的防火间距应按本规范表5.2.1中甲、乙类厂房和密闭工艺设备的规定执行。
2 装置间的防火间距应符合表5.2.2-1的规定。
3 装置内部的设备、建(构)筑物间的防火间距,应符合表5.2.2-2的规定。


注:1 两个丙类液体生产设施之间的防火间距,可按甲、乙类生产设施的防火间距减少25%。
2 油田采出水处理设施内除油罐(沉降罐)、污油罐可按小于或等于500m³的甲B、乙类固定顶地上油罐的防火间距减少25%,污油泵(或泵房)的防火间距可按甲、乙类厂房和密闭工艺装置(设备)减少25%。
3 缓冲罐与泵、零位罐与泵,除油池与污油提升泵,塔与塔底泵、回流泵,压缩机与其直接相关的附属设备,泵与密封漏油回收容器的防火间距不限。
4 全厂性重要设施系指集中控制室、马达控制中心、消防泵房和消防器材间、35kV及以上的变电所、自备电站、化验室、总机房和厂部办公室,空压站和空分装置。
5 辅助生产厂房及辅助生产设施系指维修间、车间办公室、工具间、换热站、供注水泵房、深井泵房、排涝泵房、仪表控制间、应急发电设施、阴极保护间,循环水泵房、给水处理与污水处理等使用非防爆电气设备的厂房和设施。
6天然气储罐总容量按标准体积计算。大于50000m³时,防火间距应按本表增加25%。
7 可能携带可燃液体的高架火炬与相关设施的防火间距不得折减。
8 表中数字分子表示甲A类,分母表示甲B、乙类厂房和密闭工艺装置(设备)防火间距。
9 液化石油气灌装站系指进行液化石油气灌瓶、加压及其有关的附属生产设施;灌装站内部防火间距应按本规范6.7节执行;灌装站防火间距起算点,按灌装站内相邻面的设备、容器、建(构)筑物外缘算起。
10 事故存液池的防火间距,可按敞口容器和除油池的规定执行。
11 表中“一”表示设施之间的防火间距应符合现行国家标准《建筑设计防火规范》的规定或设施间距只需满足安装、操作及维修要求;表中“*”表示本规范未涉及的内容。
注:表中数字为装置相邻面工艺设备或建(构)筑物的净距,工艺装置与工艺装置的明火加热炉相邻布置时,其防火间距应按与明火的防火间距确定。
注:1 由燃气轮机或天然气发动机直接拖动的天然气压缩机对明火或散发火花的设备或场所、仪表控制间等的防火间距按本表可燃气体压缩机或其厂房确定;对其他工艺设备及厂房、中间储罐的防火间距按本表明火或散发火花的设备或场所确定。
2 加热炉与分离器组成的合一设备、三甘醇火焰加热再生釜、溶液脱硫的直接火焰加热重沸器等带有直接火焰加热的设备,应按明火或散发火花的设备或场所确定防火间距。
3 克劳斯硫磺回收工艺的燃烧炉、再热炉、在线燃烧器等正压燃烧炉,其防火间距按其他工艺设备和厂房确定。
4 表中的中间储罐的总容量:全压力式天然气凝液、液化石油气储罐应小于或等于100m³;甲B、乙类液体储罐应小于或等于1000m³。当单个全压力式天然气凝液、液化石油气储罐小于50m³、甲B、乙类液体储罐小于100m³时,可按其他工艺设备对待。
5 含可燃液体的水池、隔油池等,可按本表其他工艺设备对待。
6 缓冲罐与泵、零位罐与泵,除油池与污油提升泵,塔与塔底泵、回流泵,压缩机与其直接相关的附属设备,泵与密封漏油回收容器的防火间距可不受本表限制。
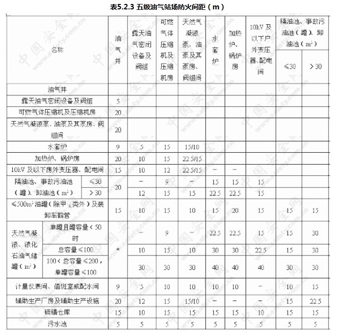
5.2.3 五级石油天然气站场总平面布置的防火间距,不应小于表5.2.3的规定。


注:1油罐与装车鹤管之间的防火间距,当采用自流装车时不受本表的限制,当采用压力装车时不应小于15m。
2 加热炉与分离器组成的合一设备、三甘醇火焰加热再生釜、溶液脱硫的直接火焰加热重沸器等带有直接火焰加热的设备,应按水套炉确定防火间距。
3 克劳斯硫磺回收工艺的燃烧炉、再热炉、在线燃烧器等正压燃烧炉,其防火间距可按露天油气密闭设备确定。
4 35kV及以上的变配电所应按本规范表5.2.1的规定执行。
5 辅助生产厂房系指发电机房及使用非防爆电气的厂房和设施,如:站内的维修间、化验间、工具间、供注水泵房、办公室、会议室、仪表控制间、药剂泵房、掺水泵房及掺水计量间、注汽设备、库房、空压机房、循环水泵房、空冷装置、污水泵房、卸药台等。
6 计量仪表间系指油气井分井计量用计量仪表间。
7 缓冲罐与泵、零位罐与泵、除油池与污油提升泵、压缩机与直接相关的附属设备、泵与密封漏油回收容器的防火间距不限。
8 表中数字分子表示甲A类,分母表示甲B、乙类设施的防火间距。
9 油回采出水处理设施内除油罐(沉降罐)、污油罐的防火间距(油气井除外)可按≤500m³油罐及装卸车鹤管的间距减少25%,污油泵(或泵房)的防火间距可按油泵及油泵房间距减少25%,但不应小于9m。
10 表中“-”表示设施之间的防火间距应符合现行国家标准《建筑设计防火规范》的规定或者设施间距仅需满足安装、操作及维修要求;表中“*”表示本规范未涉及的内容。
5.2.4 五级油品站场和天然气站场值班休息室(宿舍、厨房、餐厅)距甲、乙类油品储罐不应小于30m,距甲、乙类工艺设备、容器、厂房、汽车装卸设施不应小于22.5m;当值班休息室朝向甲、乙类工艺设备、容器、厂房、汽车装卸设施的墙壁为耐火等级不低于二级的防火墙时,防火间距可减少(储罐除外),但不应小于15m,并应方便人员在紧急情况下安全疏散。
5.2.5 天然气密闭隔氧水罐和天然气放空管排放口与明火或散发火花地点的防火间距不应小于25m,与非防爆厂房之间的防火间距不应小于12m。
5.2.6 加热炉附属的燃料气分液包、燃料气加热器等与加热炉的防火距离不限;燃料气分液包采用开式排放时,排放口距加热炉的防火间距应不小于15m。
条文说明
5.2 站场内部防火间距
5.2.1 本条是在总结原规范的基础上,参照国内外有关防火安全规范制定的。制定本条的依据是:
1 参考《石油设施电气装置场所分类》SY 0025,将爆炸危险场所范围定为15m,由于甲A类液体,即液体烃,其蒸汽压高于甲B、乙A类,危险性较甲B、乙A类大,所以,其与明火的防火间距定为22.5m。
2 据资料介绍,设备在正常运行时,可燃气体扩散,能形成危险场所的范围为8~15m。在正常进油和检修清罐时,油罐油气扩散距离为21~24m。据资料介绍,英国石油学会《销售安全规范》规定,油罐与明火和散发火花的建(构)筑物距离为15m。日本丸善石油公司的油库管理手册,按油罐内油面的状态规定油罐区内动火的最大距离为20m。
3 按火灾危险性归类,如维修间、车间办公室、工具间、供注水泵房、深井泵房、排涝泵房、仪表控制间,应急发电设施、阴极保护间、循环水泵房、给水处理、污水处理等使用非防爆电气的厂房和设施,均有产生火花的可能,在表5.2.1将其归为辅助生产厂房及辅助设施;而将中心控制室、消防泵房和消防器材间、35kV及以上的变电所、自备电站、中心化验室、总机房和厂部办公室,空压站和空分装置归为全厂性重要设施。
4 为了减少占地,在将装置、设备、设施分类的基础上,采用了区别对待的原则,火灾危险性相同的尽量减少防火间距,甚至不设间距,如这次修改中,取消了全厂性重要设施和辅助生产厂房及辅助设施的间距;取消了全厂性重要设施、辅助生产厂房及辅助设施和有明火或散发火花地点(含锅炉房)的间距;取消了容量小于或等于30m³的敞口容器和除油池与甲、乙类厂房和密闭工艺装置(设备)的距离。
5 按油品危险性、油罐型式及油罐容量规定不同的防火间距。对于储存甲B、乙类液体的浮顶油罐和储存丙类液体的固定顶油罐的防火间距均在甲B、乙类固定顶油罐间距的基础上减少了25%。考虑到丙类油品的闪点高,着火的危险性小,所以规定两个丙类液体的生产设施(厂房和密闭工艺装置、敞口容器和除油池、火车装车鹤管、汽车装车鹤管、码头装卸油臂及泊位等)之间的防火间距可按甲B、乙类液体的生产设施减少25%。
6 对于采出水处理设施内的除油罐(沉降罐),由于规定了顶部积油厚度不超过0.8m,所以采出水处理设施内的除油罐(沉降罐)均按小于或等于500m³的甲B、乙类固定顶地上油罐的防火间距考虑,且由于采出水处理设施回收的污油均是乳化程度高的老化油,所以在甲B、乙类固定顶地上油罐的防火间距基础上减少了25%。
7 油气站场内部各建(构)筑物防火间距的确定,主要是考虑到发生火灾时,他们之间的相互影响。站场内散发油气的油罐,尤其是天然气凝液和液化石油气储罐,由于危险性较大。所以和其他建(构)筑物的防火间距就比较大。而其他油气生产设施,由于其油气扩散范围小,所以防火间距就比较小。
5.2.2 根据石油工业和石油炼厂的事故统计,工艺生产装置或加工过程中的火灾发生几率,远远大于油品储存设施的火灾几率。装置火灾一般影响范围约10m,因工艺生产装置发生的火灾,而波及全装置的不多见,多因及时扑救而消灭于火灾初起时,其所以如此,一是因为装置内有较为完备的消防设备,另外,也因为在明火和散发火花的设施、场所与油气工艺设备之间有较大的、而且是必要的防火间距。
装置内部工艺设备和建(构)筑物的防火间距是参照现行国家标准《石油化工企业设计防火规范》GB 50160的防火间距标准而制定的,《石油化工企业设计防火规范》考虑到液化烃泄漏后,可燃气体的扩散范围为10~30m,其蒸气压高于甲B、乙类液体,其危险性较甲B、乙类液体大,将甲A类密闭工艺设备、泵或泵房、中间储罐离明火或散发火花的设备或场所的防火间距定为22.5m。所以本次修订石油天然气工程设计防火规范,也将甲A类密闭工艺设备、油泵或油泵房、中间储罐离明火划散发火花的设备或场所的防火间距定为22.5m。
5.2.3 由于石油天然气站场分级的变化、五级站储罐总容量由200m³增加到500m³,所以本条的适用范围是油罐总容量小于或等于500m³的采油井场、分井计量站、接转站、沉降分水站、气井井场装置、集气站、输油管道工程中油罐总容量小于或等于500m³的各类站场,输气管道的其他小型站场以及未采取天然气密闭的采出水处理设施。这类站场在油气田、管道工程中数量多、规模小、工艺流程较简单,火灾危险性小;从统计资料看,火灾次数较少,损失也较少。由于这类站场遍布油气田,防火间距扩大,将增加占地。规范中表5.2.3的间距是按原规范《原油和天然气工程设计防火规范》GB 50183-93和储存油品的性质、油罐的大小,参考了装置内部工艺设备和建(构)筑物的防火间距结合石油天然气工程设计特点确定的。
对于生产规模小于50×104m³/d的天然气净化厂和天然气处理厂,考虑到天然气处理厂有设置高挥发性液体泵的可能,参考《石油设施电器装置场所分类》SY 0025,增加了其对加热炉及锅炉房、10kV及以下房外变压器、配电间与油泵及油泵房、阀组间的防火间距为22.5m。本规范还参考原《原油和天然气工程设计防火规范》GB 50183和《石油化工企业设计防火规范》装置内部防火间距的要求,增加了天然气凝液罐对各生产装置(设备)、设施的防火间距要求。参照《石油化工企业设计防火规范》,确定装置只有一座液化烃储罐且其容量小于50m³时,按装置内其他工艺设备确定防火间距;当总容量等于或小于100m³时,按装置储罐对待;当储罐总容量大于100m³且小于或等于200m³时,由于储罐容量增加,危险性加大,防火间距随之加大。
对于增加的硫磺仓库、污水池和其他设施的距离,是参考四川石油管理局的实践经验确定的,但必须说明这里指的污水池,应是盛装不含污油和不含其他可燃烧物的污水池。
5.2.4 为了解决边远地区小站的人员值班问题,本次规范修订规定了除液化石油气和天然气凝液站场外的五级石油天然气站场可以在站内设值班休息室(宿舍、厨房、餐厅)。为了减少值班休息室与甲、乙类工艺设备和装置在火灾时的相互影响,采用站场外部区域布置中五级站场甲、乙类储油罐,工艺设备、容器、厂房、火车和汽车装卸设施与100人以下的散居房屋的防火间距;不能满足按站场外部区域布置的防火间距要求时,可采用将朝向甲、乙类工艺设备、容器(油罐除外)、厂房、火车和汽车装卸设施的墙壁设为耐火等级不低于二级的防火墙,采用不小于15m的防火间距,可使值班休息室(宿舍、厨房、餐厅)位于爆炸危险场所范围以外。但应方便人员在紧急情况下安全疏散。
5.2.5 油田注水储水罐天然气密闭隔氧是目前注水罐隔氧、防止管道与设备腐蚀的有效措施。按照原规范《原油和天然气工程设计防火规范》GB 50183-93确定的防火间距已使用了多年,本条保留了原规范的内容。
5.2.6 加热炉附属的燃料气分液包、燃料气加热器是加热炉的一部分,所以规定燃料气分液包、燃料气加热器与加热炉防火间距不限;但考虑到部分边远小站的燃料气分液包有可能就地排放凝液,故规定其排放口距加热炉的防火间距应不小于15m。