建筑设计防火规范
编号:GB50016-2014(2018版)
颁布时间:2018/10/1
是否常用:是
是否有效:现行有效
分类:建筑防火
3.5 仓库的防火间距
3.5.1 甲类仓库之间及与其他建筑、明火或散发火花地点、铁路、道路等的防火间距不应小于表3.5.1的规定。


注:甲类仓库之间的防火间距,当第3、4项物品储量不大于2t,第1、2、5、6项物品储量不大于5t时,不应小于12m,甲类仓库与高层仓库的防火间距不应小于13m。
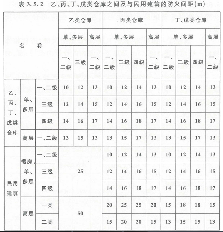
3.5.2 除本规范另有规定外,乙、丙、丁、戊类仓库之间及与民用建筑的防火间距,不应小于表3.5.2的规定。

注:1 单、多层戊类仓库之间的防火间距,可按本表的规定减少2m。
2 两座仓库的相邻外墙均为防火墙时,防火间距可以减小,但丙类仓库,不应小于6m;丁、戊类仓库,不应小于4m。两座仓库相邻较高一面外墙为防火墙,或相邻两座高度相同的一、二级耐火等级建筑中相邻任一侧外墙为防火墙且屋顶的耐火极限不低于1.00h,且总占地面积不大于本规范第3.3.2条一座仓库的最大允许占地面积规定时,其防火间距不限。
3 除乙类第6项物品外的乙类仓库,与民用建筑的防火间距不宜小于25m,与重要公共建筑的防火间距不应小于50m,与铁路、道路等的防火间距不宜小于表3.5.1中甲类仓库与铁路、道路等的防火间距。
3.5.3 丁、戊类仓库与民用建筑的耐火等级均为一、二级时,仓库与民用建筑的防火间距可适当减小,但应符合下列规定:
1 当较高一面外墙为无门、窗、洞口的防火墙,或比相邻较低一座建筑屋面高15m及以下范围内的外墙为无门、窗、洞口的防火墙时,其防火间距不限;
2 相邻较低一面外墙为防火墙,且屋顶无天窗或洞口、屋顶耐火极限不低于1.00h,或相邻较高一面外墙为防火墙,且墙上开口部位采取了防火措施,其防火间距可适当减小,但不应小于4m。
3.5.4 粮食筒仓与其他建筑、粮食筒仓组之间的防火间距,不应小于表3.5.4的规定。

注:1 当粮食立筒仓、粮食浅圆仓与工作塔、接收塔、发放站为一个完整工艺单元的组群时,组内各建筑之间的防火间距不受本表限制。
2 粮食浅圆仓组内每个独立仓的储量不应大于10000t。
3.5.5 库区围墙与库区内建筑的间距不宜小于5m,围墙两侧建筑的间距应满足相应建筑的防火间距要求。
条文说明
3.5 仓库的防火间距
3.5.1本条为强制性条文。甲类仓库火灾危险性大,发生火灾后对周边建筑的影响范围广,有关防火间距要严格控制。本条规定除要考虑在确定厂房的防火间距时的因素外,还考虑了以下情况:
(1) 硝化棉、硝化纤维胶片、喷漆棉、火胶棉、赛璐珞和金属钾、钠、锂、氢化锂、氢化钠等甲类物品,发生爆炸或火灾后,燃速快、燃烧猛烈、危害范围广。甲类物品仓库着火时的影响范围取决于所存放物品数量、性质和仓库规模等,其中储存量大小是决定其危害性的主要因素。如某座存放硝酸纤维废影片仓库,共存放影片约10t,爆炸着火后,周围30m~70m范围内的建筑物和其他可燃物均被引燃。
(2) 对于高层民用建筑、重要公共建筑,由于建筑受到火灾或爆炸作用的后果较严重,相关要求应比对其他建筑的防火间距要求要严些。
(3) 甲类仓库与铁路线的防火间距,主要考虑蒸汽机车飞火对仓库的影响。甲类仓库与道路的防火间距,主要考虑道路的通行情况、汽车和拖拉机排气管飞火的影响等因素。一般汽车和拖拉机的排气管飞火距离远者为8m~10m,近者为3m~4m。考虑到车辆流量大且不便管理等因素,与厂外道路的间距要求较厂内道路要大些。根据表3.5.1,储存甲类物品第1、2、5、6项的甲类仓库与一、二级耐火等级乙、丙、丁、戊类仓库的防火间距最小为12m。但考虑到高层仓库的火灾危险性较大,表3.5.1的注将该甲类仓库与乙、丙、丁、戊类高层仓库的防火间距从12m增加到13m。
3.5.2 本条为强制性标准条文。本条规定了除甲类仓库外的其他单层、多层和高层仓库之间的防火间距,明确了乙、丙、丁、戊类仓库与民用建筑的防火间距。主要考虑了满足灭火救援、防止初期火灾(一般为20min内)向邻近建筑蔓延扩大以及节约用地等因素:
(1) 防止初期火灾蔓延扩大,主要考虑“热辐射”强度的影响。
(2) 考虑在二、三级风情况下仓库火灾的影响。
(3) 不少乙类物品不仅火灾危险性大,燃速快、燃烧猛烈,而且有爆炸危险,乙类储存物品的火灾危险性虽较甲类的低,但发生爆炸时的影响仍很大。为有所区别,故规定与民用建筑和重要公共建筑的防火间距分别不小于25m、50m。实际上,乙类火灾危险性的物品发生火灾后的危害与甲类物品相差不大,因此设计应尽可能与甲类仓库的要求一致,并在规范规定的基础上通过合理布局等来确保和增大相关间距。
乙类6项物品,主要是桐油漆布及其制品、油纸油绸及其制品、浸油的豆饼、浸油金属屑等。这些物品在常温下与空气接触能够缓慢氧化,如果积蓄的热量不能散发出来,就会引起自燃,但燃速不快,也不爆燃,故这些仓库与民用建筑的防火间距可不增大。
本条注2中的“总占地面积”为相邻两座仓库的占地面积之和。
3.5.3 本条为满足工程建设需要,除本规范第3.5.2条的注外,还规定了其他可以减少建筑间防火间距的条件,这些条件应能有效减小火灾的作用或防止火灾的相互蔓延。
3.5.4 本条规定的粮食筒仓与其他建筑的防火间距,为单个粮食筒仓与除表3.5.4注1以外的建筑的防火间距。粮食筒仓组与组的防火间距为粮食仓群与仓群,即多个且成组布置的筒仓群之间的防火间距。每个筒仓组应只共用一套粮食收发放系统或工作塔。
3.5.5 对于库区围墙与库区内各类建筑的间距,据调查,一些地方为了解决两个相邻不同业主用地合理留出空地问题,通常做到了仓库与本用地的围墙距离不小于5m,并且要满足围墙两侧建筑物之间的防火间距要求。后者的要求是,如相邻不同业主的用地上的建筑物距围墙为5m,而要求围墙两侧建筑物之间的防火间距为15m时,则另一侧建筑距围墙的距离还必须保证10m,其余类推。