建筑设计防火规范
编号:GB50016-2014(2018版)
颁布时间:2018/10/1
是否常用:是
是否有效:现行有效
分类:建筑防火
附录 各类建筑构件的燃烧性能和耐火极限






























注:1 λ为钢管混凝土构件长细比,对于圆钢管混凝土,λ=4L/D;对于方、矩形钢管混凝土,λ=2
2 对于矩形钢管混凝土柱,B为截面短边边长。
3 钢管混凝土柱的耐火极限为根据福州大学土木建筑工程学院提供的理论计算值,未经逐个试验验证。
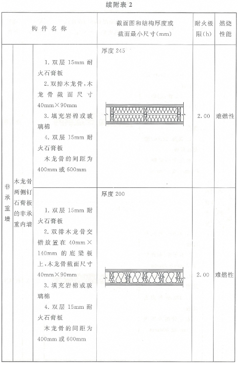
4 确定墙的耐火极限不考虑墙上有无洞孔。
5 墙的总厚度包括抹灰粉刷层。
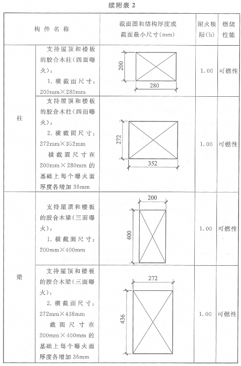
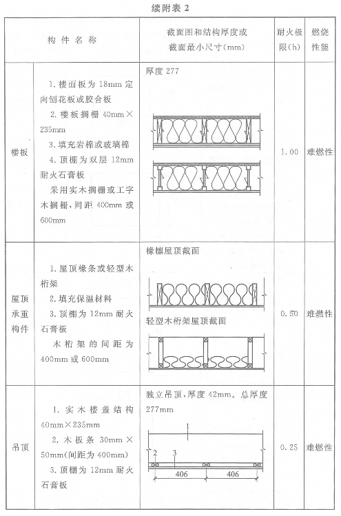
6 中间尺寸的构件,其耐火极限建议经试验确定,亦可按插入法计算。
7 计算保护层时,应包括抹灰粉刷层在内。
8 现浇的无梁楼板按简支板的数据采用。
9 无防火保护层的钢梁、钢柱、钢楼板和钢屋架,其耐火极限可按0.25h确定。
10 人孔盖板的耐火极限可参照防火门确定。
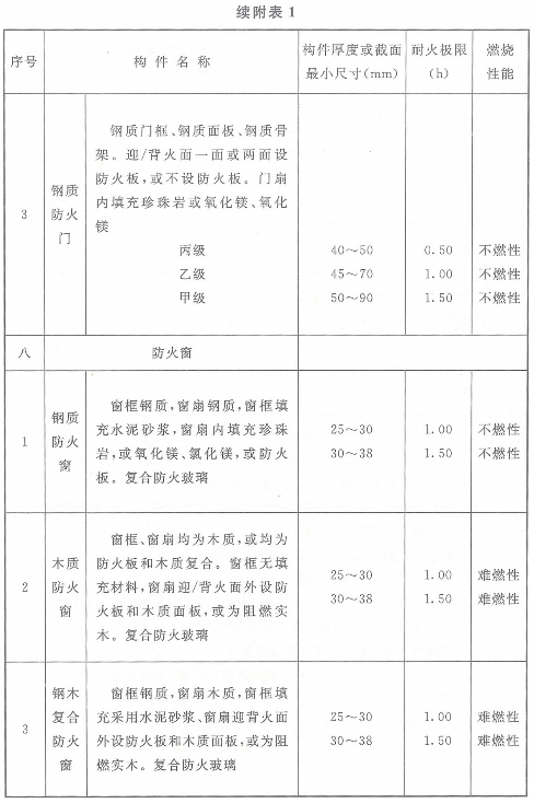
11 防火门和防火窗中的“木质”均为经阻燃处理。







